Neradus reikiamos prekės kreipkites į info@dalysmotociklams.lt.

Mūsų kodas: P105184

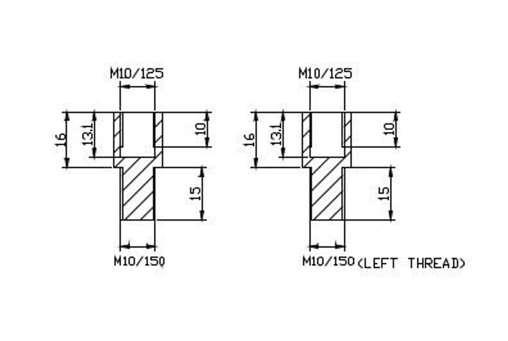
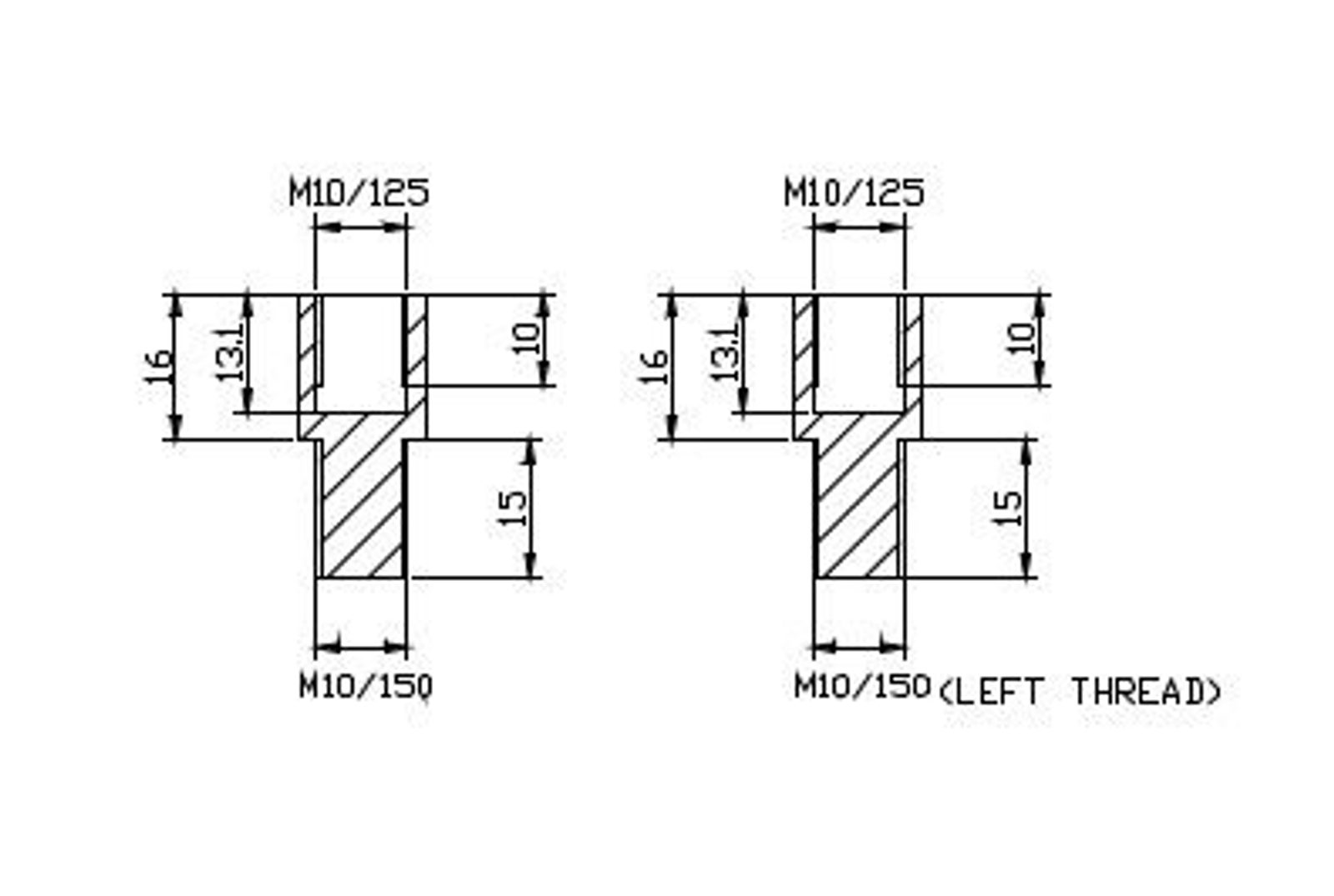
Mirror adaptor PUIG ADAPTER M10/150 THREAD RIGHT+LEFT REAR MIRROR HI-T 9271N, juodos spalvos to handlebar

ADAPTER M10/150 THREAD RIGHT+LEFT REAR MIRROR HI-T
7,60 € Su PVM
6,28 € be PVM
Pagal užsakymą
+ -
(vnt.)

Palyginkite

Išvardytos kategorijose:     Veidrodžiai PUIG

Mirror adaptor PUIG ADAPTER M10/150 THREAD RIGHT+LEFT REAR MIRROR HI-T 9271N, juodos spalvos to handlebar
7,60 €
+ -
Mūsų kodas: P105184

Tai gali būti naudinga

FACE MASK PUIG 20498N
6,67 €
Yra centriniame sandėlyje, pristatymas 5-7 dienos.
0 produktai k porovnání PalyginimasParodykite palyginimus